Вернуться к выбору размеров
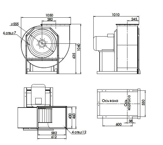
RAD-300 - типоразмер 560
р.
р.
Выпускают вентиляторы следующих исполнений: – общепромышленные GP – коррозионностойкие CR – взрывозащищенные EX – взрывозащищенные коррозионностойкие EC
Характеристики
Размеры
Характеристики
Размеры
Left
Right