Вернуться к выбору размеров
RAD-300 - типоразмер 315
р.
р.
Выпускают вентиляторы следующих исполнений: – общепромышленные GP – коррозионностойкие CR – взрывозащищенные EX – взрывозащищенные коррозионностойкие EC
Характеристики
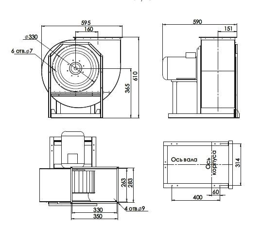
Размеры
Характеристики
Размеры
Left
Right